In recent years, a growing understanding among engineers, technologists and designers finds the idea that the most efficient and cost-effective ways to reduce air-gas emission is to create non-waste manufacturing processes, providing, for example, the introduction of closed gas flows. In the presented article in the analysis of the textbook of Doctor of Technical Sciences, Professor Lukanin A.V. "Processes and gas emissions purification devices" the methods for calculating emissions into the atmosphere from various types of processing equipment are considered.
drier installation, separator, air-gas emissions, fermenter, cyclone, Venturi scrubber, absorber, cleaning efficiency, demister, irrigation density, the drying agent, the coolant, the maximum permissible concentration (MPC).
В учебном пособии д-ра техн. наук проф. Луканина А.В. «Процессы и аппараты очистки газовоздушных выбросов» рассмотрены существующие в настоящее время методы защиты воздушного бассейна от газовых выбросов в различных отраслях промышленности. Так же приведены методы расчета выбросов вредных веществ в атмосферу от различных видов технологического оборудоваия. Текст лекций построен на глубоком анализе методов очистки часто встречающихся опасных веществ, попадающих в атмосферу Земли с отходящими газами крупнотоннажных производств. Даются рекомендации по используемому в промышленности оборудованию.
Текст лекций предназначен для студентов технических вузов, обучающихся по направлениям подготовки 280700.62 «Техносферная безопасность» и 280202.65 «Инженерная защита окружающей среды». Профили подготовки: инженерная защита окружающей среды населенных мест, инженерная защита окружающей среды промышленных предприятий и охрана природной среды и ресурсосбережение. Представленные лекции будут интересны инженерно-техническим работникам, аспирантам и преподавателям.
Для снижения загрязнения атмосферы от промышленных газовоздушных выбросов (ГВВ) совершенствуют технологические процессы, осуществляют герметизацию технологического оборудования, разрабатывают новые газоочистные аппараты. В настоящее время существует огромное количество конструктивных решений как «мокрых», так и «сухих» систем очистки ГВВ. Все эти направления совершенствования систем очистки ГВВ обстоятельно изложены в работе Луканина А.В. Однако, непреложным фактом является то обстоятельство, что повышение эффективности очистки влечет за собой неизбежное повышение энергетических и материальных затрат. Известно, что сейчас затраты на очистку достигают 30–50% от стоимости основного производства. Но, несмотря на это, все же до настоящего времени основным средством предотвращения вредных выбросов остается разработка и внедрение эффективных систем очистки газов.
В последнее время все большее понимание у инженеров технологов и конструкторов находит идея, что наиболее эффективным и экономически целесообразным направлением снижения ГВВ является создание безотходных технологических процессов, предусматривающих, например, внедрение замкнутых газообразных потоков.
В качестве примера рассмотрим приведенную в учебнике технологию воплощения этой идеи в крупнотоннажном биотехнологическом производстве.
Существующие системы очистки ГВВ в крупнотоннажных производств кормового белка
В нашей стране в 30-е годы прошлого века были построены первые крупнотоннажные заводы по получению кормовых дрожжей на гидролизатах древесины, сельскохозяйственных отходах и сульфитных щелоках. Позднее в 60-х мощности по производству кормового белка существенно были увеличены строительством заводов БВК, работающих на парафинах нефти.
В ходе эксплуатации крупнотоннажных заводов было выяснено, что биомасса микроорганизмов при аэрогенном распространении проявляла аллергизирующее действие, вызывая бронхо-легочные патологии [2].
В настоящее время отмечается повышенный интерес к белку одноклеточных, разрабатываются новые технологии, возобновляется производство, в частности из природного газа.
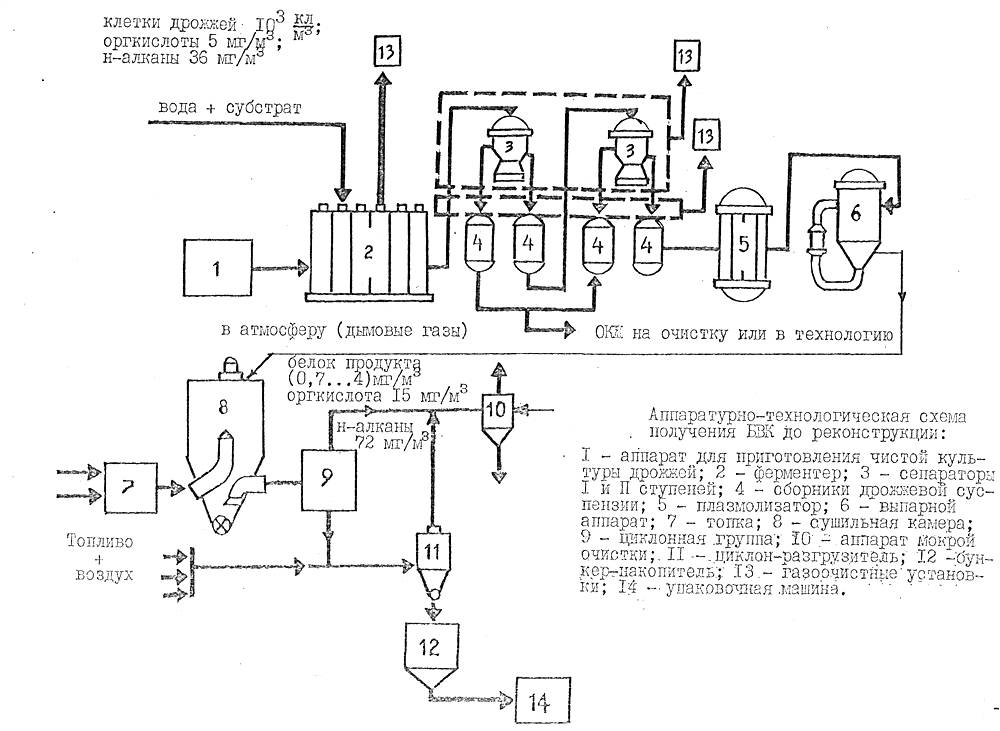
Учитывая, что в нашей стране были построены и долгое время эксплуатировались крупнотоннажные заводы по получению кормовых дрожжей представляется целесообразным учесть опыт прошлых лет при строительстве новых заводов кормового белка, поскольку источниками организованных газовоздушных выбросов (ГВВ) в производстве кормовых дрожжей на любом сырье являются сушилки, ферментеры и сепараторы (рис.1) [3,

Рис.1. Аппаратурно-технологическая схема получения кормового белка
Промышленное выращивание дрожжей производится в ферментерах объемом до 2000 м3, как правило, оснащенных системами мокрой очистки газов (СМОГ). Далее идет сепарация, при которой также выделяется значительное количество подобных по составу ГВВ, в связи, с чем сепараторы и емкостное оборудование также оснащены системами СМОГ (рис.2).

Рис. 2. Схема очистки газовоздушных выбросов ферментеров: 1 – ферментер (аспирация сепарации); 2 – скруббер Вентури; 3 – вентилятор, 4 – выбросная труба
После выпарной установки суспензия поступает на сушку, где образуется готовый продукт влажностью 10%. На крупных заводах, как правило, применяют распылительные сушильные установки (СУ) СРЦ-12,5-1100, СРЦ-12,5-1500 производительностью 15 и 25 м3/час по испаренной влаге [18] (рис.3). Суспензия поступает на центробежно-распылительный механизм (ЦРМ), где в потоке сушильного агента (СА) распыливается на капли размером до 80 мкм, при этом процесс сушки происходит за 15-30 сек. СА с температурой до 500°С поступает в верхнюю часть сушильной камеры через диспергатор, который обеспечивает его равномерное распределение в объеме.
Основное количество (80–90%) высушенных дрожжей сепарируется в конусной части сушильной камеры, а остальная часть (мелкая фракция) с отработанным СА поступает в циклонную группу (технологическая ступень очистки). После очистки СА в санитарной ступени он выбрасывается в атмосферу.
Из сушильной камеры и циклонов продукт пневмотранспортом подается в упаковочное отделение, где фасуется в бумажные мешки весом 25–30 кг.

Рис. 3. Схема сушильной установки, работающая по газоконтактному способу с выбросом
СА в атмосферу:
1 – топка; 2 – сушильная камера; 3 – группа циклонов; 4 – циклон-разгрузитель; 5 – аппарат мокрой очистки газов.
При обследовании газовоздушных выбросов (ГВВ) заводов кормового белка одним из основных объектов изучения являлся ферментер. Схема системы очистки ГВВ от ферментера показана на рис. 2. Основной агрегат – скруббер Вентури. Средние показатели СМОГ от ферментеров следующие:
– расход ГВВ 50-70 тыс.м3/час;
– перепад давления на СМОГ 170-280 кг/м2;
– плотность орошения 0,4-0,6 л/м3.
Хотя все микробиологические производства кормового белка применяют непатогенные штаммы микроорганизмов, тем не менее попадание их в воздушную среду нежелательно, поэтому клетки дрожжей контролируются в ГВВ.
Как показывают наши исследования, концентрация дрожжевых клеток в ГВВ от ферментера без очистки составляет 106 ...107 кл/м3, а после очистки 1,2×102 – 4×103, т.е. эффективность очистки в скрубберах Вентури составила 99,6 – 99,9% [2,5,6]. Это практически обеспечивало ПДК в рабочей зоне 500 кл/м3 [7].
Микроорганизмы во время культивирования выделяют продукты метаболизма в частности в виде карбоновых кислот, которые, в основном, представлены шестью наименованиями (уксусная, пропионовая, масляная, изомасляная, изовалериановая и валериановая), причем большая доля приходится на уксусную кислоту. Количество накапливаемых кислот зависит от стадии развития культуры и в стационарной фазе колеблется от 20 до 100 мг/л.
Средневзвешенная суммарная концентрации органических кислот в ГВВ составляет 7 – 14 мг/м3. Средняя концентрация оргкислот в ГВВ после очистки составляет около 5 мг/м3, что соответствует уровню ПДК для уксусной кислоты [7].
Как было сказано, процесс сепарирования дрожжевой суспензии сопровождается выделением газов. Эти газы по своему составу мало отличаются от ГВВ ферментеров. Суммарный объем ГВВ от сепарационного отделения относительно невелик и примерно равен объему ГВВ одного ферментера.
Наибольший вклад в ГВВ производств кормового белка вносят сушильные отделения. Средний расход сушильного агента составляет 190 – 250 тыс. м3/час с запыленностью 6 000 – 10 000 мг/м3.
Был изучен гранулометрический состав дрожжевой пыли на различных участках сушильной установки, выяснено, что он следующий: из –под конуса сушилки – 49 мкм, на входе в циклоны – 26 мкм, на выходе из циклонов – 6,8 мкм, готовый продукт 45 мкм [4].
Распылительные сушилки укомплектованы циклонами (чаще высокоэффективными СК-ЦН-34). Эффективность циклонов достаточно высока, и средняя концентрация белковой пыли на выходе не превышает 400 мг/м3, при умеренном гидравлическом сопротивлении – до 230–280 кг/м2. Причем фракции дрожжевой пыли до 5 мкм эффективно улавливаются в этой ступени очистки.
Второй ступенью очистки ГВВ являются скрубберы Вентури. Основные показатели работы этой ступени следующие:
– перепад давления – 250 – 320 кг/м2,
– скорость газа в горловине трубы Вентури – 80 – 120 м/с,
– удельное орошение 0,4 – 0,6 л/м3,
– запыленность до очистки – 250 – 400 мг/м3,
– запыленность после очистки – 10 – 25 мг/м3,
– эффективность очистки – 92 – 97%.
Последней стадией технологического процесса производства кормового белка является упаковка готового продукта и отгрузка его потребителю. Помещение отделения упаковки и хранения готового продукта характеризуется повышенным содержанием белковой пыли, зачастую превышающим установленные нормативы. Для устранения запыленности в этих помещениях установлены аспирационные сети.
Экологически усовершенствованные крупнотоннажные биотехнологические производства
Оценивая приведенные материалы по концентрациям специфических ингредиентов в ГВВ производства кормового белка, можно заключить, что концентрация органических кислот на выходе из СМОГ примерно находится на уровне ПДК. Концентрация же белковой пыли и клеток штамма – продуцента значительно превосходят ПДК, например, по белку в 7–40 раз, и это обстоятельство вызывает необходимость контроля содержания этих ингредиентов в рабочей и селитебной зонах, а также поиск путей снижения их концентраций.
Анализ конструкций аппаратов мокрой очистки, применение которых возможно в специфических условиях микробиологических производств, показал, что наиболее приемлемым вариантом является аппарат, в котором контакт фаз организован в осесимметричном закрученном потоке.
Был проведен комплекс гидродинамических и массообменных испытаний и расчетов, которые позволили остановиться на оптимальной конструкции основного аппарата СМОГ. Это вихревой абсорбер оригинальной конструкции [8-12,20]. Его конструкция подробно описана в гл. 14.
В качестве аппарата мокрой очистки ГВВ промышленного ферментера вихревой абсорбер показал перспективность его использования. Достигнуты следующие результаты в сравнении со скрубберами Вентури [4, 5, 10, 11, 13]:
– уменьшено потребление электроэнергии на 75–80%;
– увеличена эффективность очистки ГВВ от органических кислот на 25–30%;
– средняя концентрация клеток штамма-продуцента на выбросе из СМОГ сократилась в 3 раза с 1,5×102 до 0,5×102 кл/м3.
– суммарная концентрация оргкислот снизилась с 5 до 3 мг/м3.
Для достижения более высокой степени очистки ГВВ от ферментеров дополнительно к абсорберам были установлены сетчатые туманоуловители [4, 5, 14, 15] (рис. 4).

Рис. 4. Схема очистки газовоздушных выбросов от ферментеров (сепараторов): 1 – ферментер (сепаратор); 2 – скруббер; 3 – туманоуловитель
Туманоуловитель представляет собой емкостной аппарат с набором пакетов металлических сеток трикотажного (объемного) плетения из нержавеющей проволоки диаметром 0,2–0,3 мм. Пакеты укладывались с плотностью упаковки 200...250 м2/м3 при свободном сечении 97–98% Толщина пакета составляла 200...250 мм [4, 13, 18, 19]. Результаты промышленных испытаний туманоуловителей показали, что в процессе непрерывной эксплуатации в течение 6–10 суток их гидравлическое сопротивление увеличивалось в 7 раз с одновременным снижением эффективности очистки. Конечное гидравлическое сопротивление туманоуловителей составляло 200...250 кг/м2, что резко снижало подачу вентилятора СМОГ на фоне снижения эффективности очистки ГВВ [1, 4, 14, 19, 20] (рис.5).

Рис.5. Эффективность и динамика работы сетчатого туманоуловителя
Исследование состояния сетки туманоуловителя показало, что повышение гидравлического сопротивления вызвано ее засорением веществами, содержащимися в культуральной жидкости ферментера. Соответствующая температура, наличие биогенных элементов и микрофлоры создавали благоприятные условия для развития микроорганизмов, которые заливали сетку, что и вызывало рост ее гидравлического сопротивления.
В связи с этим нами была разработана оригинальная конструкция туманоуловителя, позволяющая регенерировать сетку без остановки ферментера [4, 5, 6, 16] (рис. 6.).

Рис.6. Конструктивная схема туманоуловителя с непрерывной регенерацией
Туманоуловитель состоит из четырех секций нержавеющей сетки, которые образуют квадрат, разделенный по диагонали перегородкой. В работе находится двесекции при одновременной регенерации 2-х других. Очищаемый газ поступает в коллектор и далее на сетку туманоуловителя. При достижении определенного гидравлического сопротивления работающих секций происходит переключение потока ГВВ на очищенные секции с одновременным началом регенерации отработанных. Переключение производится заливкой секций раствором едкого натра (10–20%), столб которого является гидрозатвором. Туманоуловитель рассчитан на расход газа 65 тыс.м3/ч, имеет среднее гидравлическое сопротивление (40...60) кг/м2 при высокой эффективности улавливания.
Надежность разработанной конструкции туманоуловителя подтвердила его длительная эксплуатация в СМОГ промышленного ферментера. На рис.7 показана динамика изменения концентрации клеток дрожжей в ГВВ во времени по мере внедрения туманоуловителей [4,6,15].

Рис.7. Динамика изменения концентрации клеток штамма-продуцента в ГВВ ферментационного оборудования по мере внедрения туманоуловителей
На крупнотоннажных заводах кормового белка используют распылительные СУ. Некоторые характеристики их работы представлены в табл.1 [4].
Таблица 1.
Показатели работы серийных сушилок типа СРЦ

Наибольшее внимание на стадии сушки уделяется выбросам пыли готового продукта. По концентрации специфического белка в ГВВ, в основном, и оценивают экологическое совершенство производства.
Новые технические решения по экологическому совершенствованию сушильных отделений пошли не по пути наращивания мощностей систем газоочистки, а по пути изменений аппаратурно-технологической схемы сушки дрожжей.
Для сопоставимости сравнительных данных примем производительность сушилок по испаренной влаге равной 25 м3 /ч, а концентрацию белковой пыли после группы циклонов и аппарата мокрой очистки – 100 и 1 мг/м3 соответственно. За расходные нормы теплоносителя, за показатели влажности, запыленности и за другие технологические параметры приняты реальные данные, полученные при многолетних обследованиях заводов кормовых дрожжей.
Наиболее распространена схема сушильной установки, основанная на газоконтактном способе с выбросом отработанного СА в атмосферу [4,5,14] (рис. 3). Теплоноситель готовится из продуктов сгорания топлива с добавлением «присадки» – воздуха для доведения температуры теплоносителя до 400–450°С. Отработанный теплоноситель в количестве 200–250 тыс. м3 /ч с испаренной влагой после двухступенчатой очистки выбрасывается в атмосферу.
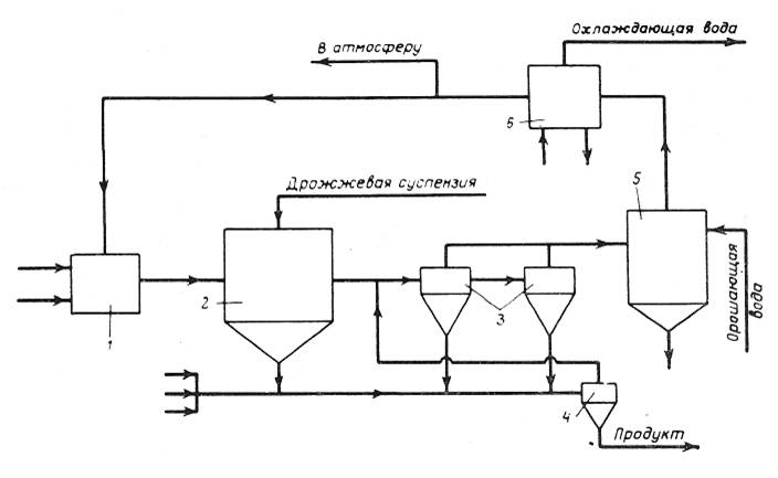
На рис. 8 представлена схема сушильной установки, работающей по газоконтактному способу и дополнительно оснащенной конденсатором для вывода влаги, испаренной в сушильной камере [4, 5, 14, 15, 16]. Данная схема выгодно отличается от предыдущей тем, что в ней можно повторно использовать отработанный и осушенный теплоноситель и, следовательно, снизить в 6–7 раз его валовой выброс. При этом в атмосферу будет выбрасываться такое количество теплоносителя, которое соответствует объему воздуха, необходимого для сжигания топлива. К тому же концентрация белковой пыли в выбрасываемом сушильном агенте будет снижена в 2–3 раза за счет дополнительной очистки в конденсаторе. Кроме того возврат отработанного теплоносителя с большим теплосодержанием позволит повысить степень использования тепла, уменьшить количество расходуемого топлива и, соответственно, выбросов дымовых газов.

Рис. 8. Схема сушильной установки, работающая по газоконтактному способу и снабженная конденсатором и частично замкнутым контуром СА:
1 – топка; 2 – сушильная камера; 3 – группа циклонов; 4 – циклон-разгрузитель; 5 – аппарат мокрой очистки газов; 6 – конденсатор
Третья схема установки для сушки (рис. 9) отличается от первых двух наличием теплообменника-воздухоподогревателя [4,5,14,15,16]. Нагрев СА осуществляется в этом устройстве без смешения с дымовыми газами как в вариантах 1 и 2, а через теплопередающую поверхность. Эта схема позволяет сократить на 30–40% валовой выброс теплоносителя, контактировавшего с дрожжами. Дальнейшее сокращение выбросов по этой схеме невозможно из-за накопления в системе испаренной влаги, выводимой за счет подачи 60%отработанного сушильного агента в топку и последующего выброса его в атмосферу с вводом соответствующего количества свежего воздуха.

Рис. 9. Схема сушильной установки с воздухоподогревателем и частично замкнутым
контуром СА:
1 – топка; 2 – воздухоподогреватель; 3 – сушильная камера; 4 – группа циклонов; 5 – циклон-разгрузитель; б – аппарат мокрой очистки газов.
Наконец была разработана и апробирована схема СУ с полностью замкнутым контуром СА. [4, 5, 14-17]. (рис. 10), Все элементы этой схемы, которая появилась в результате обобщения и анализа работы этих элементов, были апробированы и использованы в вышеописанных сушильных установках.

Рис. 10. Схема сушильной установки с полностью замкнутым контуром СА:
1 – топка; 2 – воздухоподогреватель; 3 – сушильная камера; 4 – группа циклонов;
5 – циклон-разгрузитель; 6 – аппарат мокрой очистки газов; 7 – конденсатор; 8 –
конденсатор линии пневмотранспорта.
СА в этой схеме циркулирует по замкнутому контуру и не имеет контакта с атмосферой. Пройдя группу циклонов и аппарат мокрой очистки, он поступает, как и на рис. 8, в конденсатор, в котором конденсируется влага, испаренная в сушильной камере. Далее осушенный и очищенный СА подается в воздухоподогреватель (по аналогии со схемой рис. 9), где нагревается до требуемой температуры. Затем СА поступает в сушильную камеру, и таким образом его путь оказывается замкнутым.
Во всех описанных схемах высушенный продукт транспортируется пневмотранспортом. Воздух для этих целей, как показано на схемах, в первых трех вариантах забирается из атмосферы и затем сбрасывается в линию теплоносителя перед группой циклонов, таким путем увеличивается валовой выброс. По четвертой схеме воздух для пневмотранспорта отбирается из линии теплоносителя после конденсатора. После осушки в дополнительном конденсаторе и подогрева воздух подается для пневмотранспорта.
Достоинством четвертого варианта схемы сушильной установки являются полная экологическая защищенность и взрывобезопасность (сушка паровоздушной смесью при содержании кислорода менее 16–17%). К достоинству этой схемы следует отнести и энергетическую целесообразность, так как процесс сушки осуществляется паровоздушной смесью, а также с повторным использованием 50–60% дымовых газов с температурой 180–200°С для разбавления продуктов сгорания до 600–700°С перед подачей дымовых газов в воздухоподогреватель [4,17].
На графике (рис.11) представлена динамика изменения концентраций специфического белка в ГВВ СУ с замкнутым контуром циркуляции СA. Видно, что в начале реконструкции в 100% проб обнаруживался специфический белок со средневзвешенной концентрацией 0,03 мг/м3. Период разработки и освоения сушилок сопровождался снижением средней концентрации белка до 0,0006 мг/м3 в 12%проб.

Рис.11. Динамика измененияконцентрации специфического белка в ГВВ сушильных установок.
Наличие следовых количеств белка в дымовых газах, как показал анализ, обусловлено дефектами конструкций первых воздухоподогревателей (несовершенные температурные компенсаторы, трубные доски и т.д.), а также отложением белковой пыли в тракте дымовых газов в предшествующие реконструкции периода эксплуатации. После устранения этих недостатков дальнейшая промышленная эксплуатация сушилок показала полное отсутствие специфического белка, в дымовых газах.
В табл. 2 приведен сравнительный анализ результатов экологического воздействия рассмотренных схем сушильных установок на окружающую среду.
Таблица 2
Сравнительный анализ результатов экологического воздействия схем сушильных установок.

Видно, что наибольший выброс в атмосферу приходится на первую схему, работающую на прямом контакте. Очень хорошие экологические показатели демонстрирует схема с конденсатором. Введение одного аппарата позволило с минимальными переделками снизить выбросы вредных веществ более чем в 15 раз.
Схема сушки дрожжей с замкнутым контуром СА, а также другие природоохранные мероприятия позволят строить экологически чистые биотехнологические предприятия.
1. Klyushenkova M.I., Lukanin A.V. Zashchita okruzhayushchey sredy ot promyshlennykh gazovykh vybrosov [Tekst]: uchebnoe posobie / M.I. Klyushenkova, A.V.Lukanin, - M.: MGUIE, 2012.
2. Lukanin A.V., Koval´skiy Yu.V. Puti snizheniya allergicheskikh zabolevaniy v rayonakh raspolozheniya predpriyatiy biotekhnologii [Tekst] / A.V. Lukanin, Yu.V. Koval´skiy . «Mezhdunarodnyy simpozium po allergologii i klinicheskoy immunologii». Tez. dokl., Alma-Ata, 28 sent. - 1okt. 1992 g., - s.118.
3. Lukanin A.V. Sistemy ochistki gazovozdushnykh vybrosov sovremennykh proizvodstv belkovo-vitaminnykh kontsentratov. Simpozium s mezhdunarodnym uchastiem [Tekst] / A.V. Lukanin. Mikrobial´nyy protein - proizvodstva i potreblenie. Sofia, Bulgaria, 10-14 october, 1988, s. 28-29.
4. Lukanin A.V. Ekologicheskoe sovershenstvovanie krupnotonnazhnykh proizvodstv kormovogo belka [Tekst]: dis. d-ra tekh.nauk / A.V. Lukanin. - M., 1994.
5. Lukanin A.V., Koval´skiy Yu.V. Otsenka modernizirovannogo oborudovaniya i sistem gazoochistki biotekhnologicheskogo proizvodstva po preduprezhdeniyu zagryazneniya atmosfernogo vozdukha [Tekst] / A.V. Lukanin, Yu.V. Koval´skiy. Biotekhnologiya, - 1992, - №3, - s. 75-79.
6. Patent RF №2023719 ot 30.11.94 g. Ustanovka dlya ochistki i dezodoratsii gazovozdushnykh vybrosov fermenterov Lukanin A.V., Kuzin V.V., Guslyakov V.L.,Solomakha G.P., Tarasova T.A., Kuznetsov V.G.
7. PDK vrednykh veshchestv v vozdukhe rabochey zony. GN 2.2.5.686-98, - M.: Minzdrav, 1998.
8. A.s. SSSR, №978901 ot 9.08.83 g. Massoobmennyy apparat. Lukanin A.V., Solomakha G.P., Anisimov O.L. i dr.
9. A.s. SSSR №1068152 ot22.09.83 g. Massoobmennyy apparat. Lukanin A.V., Solomakha G.P., Skladnev A.V., Nikolaeva L.A.
10. Lukanin A.V. Razrabotka massoobmennykh apparatov dlya sistemy proizvodstva mikrovodorosley, ikh gidravlicheskie i massoobmennye kharakteristiki [Tekst]: dis. kand. tekh.nauk / A.V. Lukanin. - M., 1984.
11. Lukanin A.V., Solomakha G.P. Gidrodinamika techeniya i massoperenos v produvaemom zakruchennom sloe zhidkosti [Tekst] / A.V. Lukanin, G.P. Solomakha //AN SSSR, TOKhT, t. XXII, №4, M., - 1988, - s. 435-441.
12. A.s. SSSR № 1560276 ot 3.01.90 g. Absorber. Lukanin A,V., Martynov Yu.V.
13. Lukanin A.V. Inzhenernaya biotekhnologiya: protsessy i apparaty mikrobiologicheskikh proizvodstv [Tekst]: uchebnoe posobie. - M.: INFA-M., 2016.
14. Lukanin A.V. Ekologicheskie aspekty proizvodstva belkovo-vitaminnykh kontsentratov, puti sovershenstvovaniya [Tekst] / A.V. Lukanin. SEV. Informatsionnyy byulleten´ po khimicheskoy promyshlennosti, 3 (124), M., - 1989, s. 26-31.
15. Lukanin A.V. O rezul´tatakh promyshlennoy ekspluatatsii ekologicheski chistogo proizvodstva BVK [Tekst] / A.V. Lukanin //SEV. Informatsionnyy byulleten´ po khimicheskoy promyshlennosti, 5 (126), M., 1989, - s. 28-34.
16. Lukanin A.V. Energotekhnologicheskoe i ekologicheskoe sovershenstvovanie sushil´nykh ustanovok mikrobiologicheskikh proizvodstv [Tekst] / A.V. Lukanin, Yu.V. Koval´skiy. Biotekhnologiya, - 1989, - t.5, - №6, - s. 768-772.
17. A.s. SSSR №1575382 ot 1.03.90 g. Ustanovka dlya ochistki gazovozdushnogo potoka ot produktov mikrobiologicheskogo sinteza v protsesse sushki kormovogo belka. Lukanin A.V., Grigorenko V.A., Novitskiy V.I., Kan S.V.
18. Lykov M.V., Leonchik B.I. Raspylitel´nye sushilki [Tekst]. - M.: Mashinostroenie, 1966.
19. Klyushenkova M.I., Lukanin A.V. Zashchita okruzhayushchey sredy ot promyshlennykh gazovykh vybrosov [Tekst]: Ucheb. posobie - INFRA-M, - 2016.
20. Lukanin A.V. Inzhenernaya ekologiya. Protsessy i apparaty ochistkistochnykh vod i pererabotki osadkov [Tekst]: Ucheb. posobie / A.V. Lukanin. - M.: INFRA-M, 2017.



